上海恒點傳動設備有限公司
加微信聯系 恒點減速機QQ2:51228482
[HTML] [XML]  産品展示産品展示-RSS  新聞中心新聞中心-RSS  技術支持技術支持-RSS
産品分類: 減速機蝸輪絲杆升降機轉向箱蝸輪蝸杆減速機齒輪減速機行星齒輪減速機擺線針輪減速機無級變速機大功率減速器
上海恒點傳動設備有限公司
資訊分類
和産品相關的技術文章
當前位置:網站首頁 > 技術支持 > 立卧式電機外形尺寸圖 Y2-71B35,YF-71B35,250W與370W 實物圖

立卧式電機外形尺寸圖 Y2-71B35,YF-71B35,250W與370W 實物圖

Tags: TRSS系列絲杆升降機    發布時間: 2023-08-29
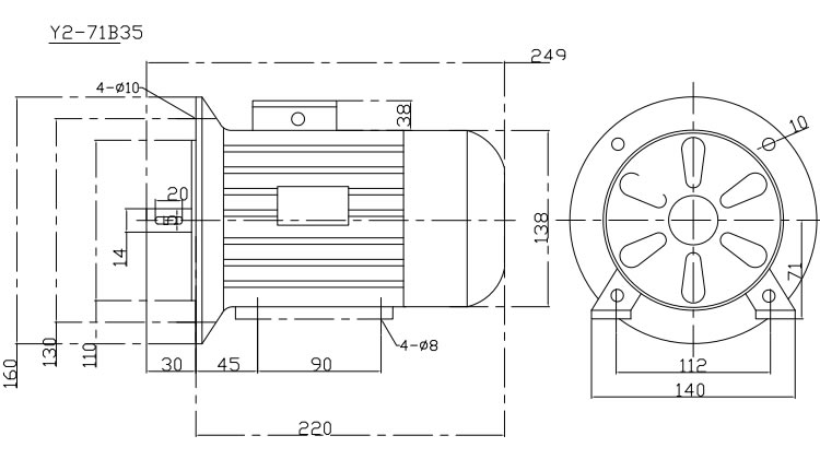
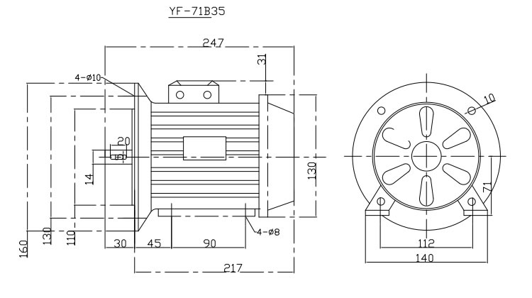
  普通三相異步電機,常規的是立式或者卧式 ,另外也有立式和卧式一體的電機,代碼爲B35。一般是在立式電機的基礎上,加裝卧式底腳闆,這樣不管立式還是卧式都可以安裝。
  下面以250W/370W爲例,這款以71機座爲基礎的電機,輸出法蘭是71B5,法蘭外圓是160mm,安裝孔130,定位110,輸出軸徑14,軸長30,同時又配有安裝底腳,安裝孔孔距爲90*112,中心高爲71,附圖:
Y2-71B35  250W與370W立卧式電(diàn)機(jī)外形尺寸圖 :
Y2-71B35,250W與370W立卧式電機外形尺寸圖
YF-71B35  250W與370W立卧式電(diàn)機(jī)外形尺寸圖 :
YF-71B35,250W與370W立卧式電機外形尺寸圖
Y2-71B35,YF-71B35,250W與370W立卧式電機 實物圖 :
Y2-71B35,YF-71B35,250W與370W立卧式電機 實物圖 :
上一篇 上一篇 : 2023國際精密加工博覽會( PME CHINA)
下一篇 下一篇: T系列螺旋傘齒輪轉向箱-安裝與維護
相關新聞文章 > 查看更多
軸承異響-潤滑失效與污染侵入 2026-01-20
如何提高數控機床可靠性? 2025-12-09
Q235和45鋼加工後的表面,有什麽不同 2025-11-18
等離子弧切割是用什麽方法将電弧壓縮爲等離子弧 2025-10-24
什麽叫鉚接,常用的鉚釘有幾種,鉚接的種類有哪幾種 2025-09-22
如何選擇合适的數控機床 2025-07-03
FAG進口軸承 後置代号是如何表示公差等級 2025-04-07
什麽是預緊?軸承預緊的目的是什麽? 2025-02-11
直線運動滾動支承分爲幾類? 2025-01-10
滾動軸承按外徑尺寸共分哪幾類? 2024-12-09
徑向遊隙對軸性能有什麽影響 2024-11-19
在說明書上寫著變速範圍60~6Hz,即10:1,那麽在6Hz以下就沒有輸出功率嗎? 2024-10-09
返回頂部 關閉本頁】 【打印本頁
電 話:021-22815912  021-22816186  傳 真:021-32050712   郵箱:sales@021jsj.cn  減速機 絲杆升降機 轉向箱 蝸輪蝸杆減速機
Copyright©2009-2026上海恒點傳動設備有限公司 版權所有  地址:上海市金山區亭林鎮林寶路39号  郵編:200442  滬ICP備10206998号-2 
友情鏈接機械設備網 | 渦街流量計 | 輸送機 | 變頻控制櫃 | 破碎機 | 工業同城 | 手持終端 | 柴油發電機 | uv平闆打印機 | 風淋室 | QUV | 防火門 | 九愛圖紙 | 感應加熱設備 | 輸送帶廠家 | 噪聲治理 | 西門子plc | 拖鏈電纜 | AGV | 機械雜志 | 現代機械 | UWB高精度定位 |