上海恒點傳動設備有限公司
加微信聯系 恒點減速機QQ2:51228482
[HTML] [XML]  産品展示産品展示-RSS  新聞中心新聞中心-RSS  技術支持技術支持-RSS
産品分類: 減速機蝸輪絲杆升降機轉向箱蝸輪蝸杆減速機齒輪減速機行星齒輪減速機擺線針輪減速機無級變速機大功率減速器
上海恒點傳動設備有限公司
資訊分類
和産品相關的技術文章
當前位置:網站首頁 > 技術支持 > SWL蝸輪螺杆升降機附錄(JB/T8809-1998)

SWL蝸輪螺杆升降機附錄(JB/T8809-1998)

Tags: SWL蝸輪絲杆升降機    發布時間: 2014-07-03
附錄A
(提示的附錄)
升降機驅動功率的計算
A1驅動功率:
式中:P——驅動功率,KW;
Fa——起升力(或拉力),KN;
v——起升速度,m/min;
η——傳遞總效率(見表A1和表A2)。
A2驅動扭矩:
式中:Mt­­——驅動扭矩,N·m;
p——驅動功率,kW;
n——轉速 ,r/min。
表A1油脂潤滑時的總效率
型号
SWL
2.5
2.5M
5
5M
10/15
10M/15M
20
20M
25
25M
35
35M
0.23
0.14
0.21
0.12
0.23
0.15
0.21
0.13
0.19
0.11
0.18
0.11
表A2蝸杆副採用稀油潤滑時的總效率 (僅用於2型)
蝸杆轉速
r/min
型号SWL
2.5
2.5M
5
5M
10/15
10M/15M
20
20M
25
25M
35
35M
1500
0.283
0.214
0.257
0.188
0.290
0.236
0.273
0.275
0.262
0.210
0.248
0.204
1000
0.279
0.206
0.252
0.180
0.285
0.227
0.268
0.217
0.257
0.200
0.243
0.195
750
0.276
0.201
0.249
0.175
0.282
0.222
0.266
0.205
0.249
0.187
0.236
0.183
5000
0.272
0.194
0.245
0.168
0.277
0.215
0.262
0.205
0.249
0.187
0.236
0.183
300
0.267
0.187
0.241
0.161
0.272
0.207
0.257
0.198
0.243
0.179
0.231
0.175
100
0.257
0.172
0.231
0.146
0.261
0.191
0.247
0.183
0.233
0.164
0.222
0.160
50
0.251
0.164
0.225
0.138
0.255
0.183
0.242
0.175
0.226
0.155
0.216
0.152
附錄B
(提示的附錄)
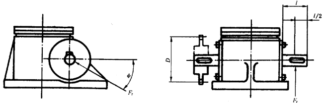
蝸杆軸伸的許用徑向力
B1蝸杆軸伸上,由於安裝齒輪、鏈輪或帶輪所産生的徑向力Fr,其最大許用力與起升力和型号有差在1/2處所許用的最大徑向力和扭矩見圖B1和表B1。
SWL蝸輪螺杆升降機附錄
圖B1
表B1
型号
Frmax­
N
Mtmax
N·m
SWL2.5/2.5M
350
18
SWL5/5M
750
44.2
SWL10/10M/15.15M
1000
108
SWL20/20M
1300
182
SWL25/25M
2000
314
SWL35/35M
2300
398
注:表中參炸毀是按φ≈30°或330°的計算的。
B2齒輪或帶輪的最小直徑:
式中:Dmin——齒輪或帶輪的最小直徑,m;
P——驅動功率,kW;
Frmax——最大徑向力 ,N;
n——蝸杆轉速,r/min;
Mt——驅動扭矩,N·m。
附錄C
(提示的附錄)
螺杆長度與極限負荷的關系
在歐拉負荷Ⅰ和Ⅱ情況下 ,螺杆長度與極限負荷的關系見圖C1~圖C4。
SWL蝸輪螺杆升降機附錄
SWL蝸輪螺杆升降機附錄
附錄D
(提示的附錄)
螺杆許用側向力F s­和軸向力F與行程的關系
SWL蝸輪螺杆升降機附錄
SWL蝸輪螺杆升降機附錄
附錄E
(提示的附錄)
工作持續率與環境溫度的關系
工作持續率與環境溫度的關系見表E1。
環境溫度超過40℃時,應考慮減小工作持續率。
表E1
環境溫度℃
50
60
70
80
許用最大工作持續率%/h
18
15
10
5
許用最大工作持續率%/10min
36
30
20
10
上一篇 上一篇: SWL蝸輪螺杆升降機性能參數 (二)(JB/T8809-1998)
下一篇 下一篇: 第十四屆中國(國際)電機博覽會暨發展論壇
相關新聞文章 > 查看更多
304不鏽鋼爲什麽叫304? 2026-01-16
如何拆卸耕整機的齒輪箱零件 2025-12-08
合金元素Cr在40Cr、GCr15、CrWMn、1Cr13、1Cr18Ni9Ti、9CrSi2鋼中的作用 2025-11-17
獲得牢固釺焊接頭的關鍵是什麽 2025-10-23
什麽叫裝配,裝配的三要素是什麽,金屬結構的連接方法有哪幾種 2025-09-24
如何確定标準偏差的位數 2025-07-02
螺紋種類有多少 2025-04-04
什麽是球規值?什麽是球分規值? 2025-02-10
什麽是可分離軸承和不可分離軸承? 2024-12-31
什麽是軸承單元? 2024-12-18
什 麽 是 關 節 軸 承 2024-12-03
什麽是軸承的理論徑向遊隙、安裝遊隙、工作遊隙 2024-11-18
返回頂部 關閉本頁】 【打印本頁
電 話:021-22815912  021-22816186  傳 真:021-32050712   郵箱:sales@021jsj.cn  減速機 絲杆升降機 轉向箱 蝸輪蝸杆減速機
Copyright©2009-2026上海恒點傳動設備有限公司 版權所有  地址:上海市金山區亭林鎮林寶路39号  郵編:200442  滬ICP備10206998号-2 
友情鏈接機械設備網 | 渦街流量計 | 輸送機 | 變頻控制櫃 | 破碎機 | 工業同城 | 手持終端 | 柴油發電機 | uv平闆打印機 | 風淋室 | QUV | 防火門 | 九愛圖紙 | 感應加熱設備 | 輸送帶廠家 | 噪聲治理 | 西門子plc | 拖鏈電纜 | AGV | 機械雜志 | 現代機械 | UWB高精度定位 |